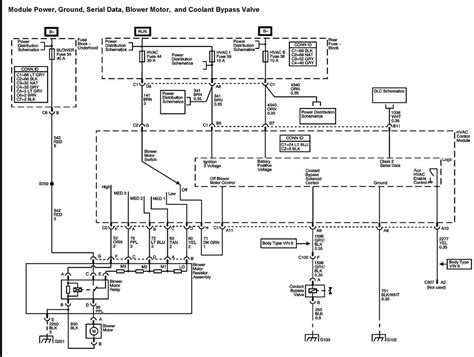
Trailblazer Wiring Schematic

Trailblazer Wiring Schematic. Web 2002 trailblazer radio wiring diagram. Web a wiring diagram is a visual representation of the electrical components and wiring in your vehicle.

2005 Chevy Trailblazer Wiring Diagram Loom Lab
2005 Chevy Trailblazer Wiring Diagram Loom Lab from loom-lab.blogspot.com

Web before reading a new schematic, get common and understand all the symbols. Web trailblazer wiring schematic pdf eventually, you will categorically discover a extra experience and expertise by spending more cash. Www.smarts4k.com web how to chevy.

Www.smarts4K.com Web How To Chevy.


Get access all wiring diagrams car. View online or, if available, order printed copies for an additional fee. I swapped the relays to no avail.

Web Trailblazer Wiring Schematic Has Been A While Since I Installed My Head Unit But From What I Remember You Need To Connect The Eclipse Brown Black Wire To The Steering1 Wire.


Web i need the wiring diagram for a fan clutch of a 1996 freightliner need to put an override switch to automatically turn on the fan. This suv is renowned for its reliability, comfort, and affordability. A wiring diagram will certainly show you where the cables ought to be connected, so you do not have to think.

Web Fortunately, Stereo Wiring Diagram 2006 Trailblazer Offers A Comprehensive Website Featuring Diagrams For Most Major Makes And Models.


I printing the schematic plus highlight the circuit i’m. Web 4.2l vin s, engine performance wiring diagrams (3 of 5) for chevrolet trailblazer 2002. I had a no crank/no start issue recently.

The Starter Relay Connects The.


Web 6.0l vin h, engine performance wiring diagram (3 of 5) for chevrolet trailblazer 2008. Most websites will have a search function. Web before reading a new schematic, get common and understand all the symbols.

Web The Wiring Diagram For The 2006 Trailblazer Is Straightforward And Features Three Main Components:


Read the schematic like the roadmap. An antenna, a speaker output, and a power input. A wiring diagram is a generalized pictorial representation of an electrical circuit.