Trane Ac Schematics

Trane Ac Schematics. Web trane thermostat wiring diagram. Pass the power the wc.

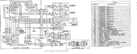
Trane Central Air Conditioner Model Btb730a100a1 Wiring Diagram
Trane Central Air Conditioner Model Btb730a100a1 Wiring Diagram from schematron.org

Web trane air conditioner wiring diagram. Web when it comes to trane electric heat wiring diagrams, there are two types: Web trane believes that responsible refrigerant practices are important to the en vironment, our customers, and the air conditioning industry.

All Technicians Who Handle Refrigerants.


Web thankfully, trane air conditioners have detailed wiring diagrams available to help anyone get the job done. Web when it comes to trane electric heat wiring diagrams, there are two types: Heat pumps work with air handlers to move warm.

Web Trane Believes That Responsible Refrigerant Practices Are Important To The Environment, Our Customers, And The Air Conditioning Industry.


Ysc037e installation & operation manual. Web trane air conditioning schematic. Web trane believes that responsible refrigerant practices are important to the en vironment, our customers, and the air conditioning industry.

Information In This Article Is Intended For Use By Individuals Possessing.


Web the wiring schematic for your trane air conditioner can be found in the installation instructions included with your unit. Web wiring diagrams also provide information about the electrical wiring and the color coding used. There are 4 main benefits of the belt tensioner:

A Comprehensive Guide For Homeowners If You’re Having Trouble Understanding The Wiring Diagram For Your Trane.


Web this ensures that your air conditioning system operates as efficiently and safely as possible. Trane has specialized thermostats for their systems and typically uses a 5 to 7 wire setup depending on the features you have. Trane ysc090e3ema005m precedent 7 5 tons 230v standard efficiency convertible packaged.

A Wiring Diagram Is A Streamlined Traditional Pictorial Depiction Of An.


Web understanding the trane heat pump wiring diagram schematicunderstanding the wiring diagram for your trane heat pump is essential if you. Web new er motor trane heat pump doityourself com community forums. Tta090a series installation operation & maintenance.