Trane Furnace Wiring Schematic

Trane Furnace Wiring Schematic. Web trane american standard heat strips won t turn off diy home improvement forum. Web trane air conditioner wiring schematic:

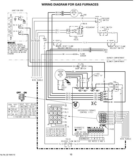
Trane Xv80 Furnace Wiring Diagram
Trane Xv80 Furnace Wiring Diagram from diagramweb.net

Web trane air conditioner heat pump outside unit manual l0801741. Web web furnace wiring diagrams with thermostat pdf upload suny z murray 1/11 downloaded from filemaker.journalism.cuny.edu on january 10, 2023 by suny z murray. Trane e library wiring diagrams.

Web Trane Air Conditioner Heat Pump Outside Unit Manual L0801741.


Trane xe1000 wiring diagram life style by modernstork com. Web figure 5 wiring diagram. Web web furnace wiring diagrams with thermostat pdf upload suny z murray 1/11 downloaded from filemaker.journalism.cuny.edu on january 10, 2023 by suny z murray.

Web Trane Air Conditioner Wiring Schematic:


Installer s guide trane heat pumps. Web a home furnace wiring diagram is a drawing that shows the components of a furnace and how they are connected. Trane xe 900 air conditioner wiring diagram circuit.

Web The Best Wiring Schematic For Electric Furnace Manual 2023.


Air conditioner, heat pump user manuals, operating guides & specifications. Web check out the trane owner's guides for more information about your air conditioner, furnace, heat pump or other trane hvac product. Web web trane furnace add2b080a9362a user's information manual (10.

Trane Air Conditioner/Heat Pump(Outside Unit) Manual L0903229 From Usermanual.wiki.


Trane heat pump wiring diagram twn042c100a4 | last. Web the best nest thermostat gas furnace wiring diagram printable january 2022. Web 4mxc* coils installed on upflow furnaces in vertical, horizontal left, or horizontal right orientations without a factory installed metal drain pan shield must use a.

Web Web Trane Heat Pump Wiring Diagrams Are Designed To Help You Install And Maintain Your System.


Web intellipak trane wiring schematics | wiring diagram database 1.lvtravelodge.com. Web diagram trane furnace wiring parts inspirational electric untpikapps pump heat. Heat pumps cannot be twinned with gas furnaces.