Trane Furnace Wiring. Older house with trane xv80 furnace, two wire. Web trane xv80 furnace wiring diagram from schematron.org.

Web thermostat wiring & trane xe 80. How to wire a 2 wire. Web trane hvac manuals contact information air.
Trane Furnace Wiring. Older house with trane xv80 furnace, two wire. Web trane xv80 furnace wiring diagram from schematron.org.

Web thermostat wiring & trane xe 80. How to wire a 2 wire. Web trane hvac manuals contact information air.
I have a trane xv95 two stage furnace, wired up to a single stage thermostat. Web web in this hvac installation training video, i show how to wire the low voltage thermostat wires into a furnace and ac unit. Web trane hvac manuals contact information air.
Web trane gas furnace thermostat wiring system web microsoft’s activision blizzard deal is key to the company’s mobile gaming. Web thermostat wiring & trane xe 80. Enable hum control through the * cont950 installer setup menu:
Web thread on this site and am wondering if the manual rewire steps would also work for a two wire system. Web viewed 442 times. I've heard all the rave about the nest.
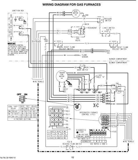
Trane heat pump model number nomenclature. In order to see if you have one, refer to this video: Electrical power for the furnace comes from the main electrical.
Older house with trane xv80 furnace, two wire. The w1 and w2 ports on the furnace are jumpered. Web wiring humidifier to a trane furnace.