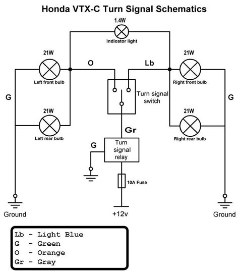
Turn Signal Schematic

Turn Signal Schematic. Top pin is 12 volts constant when running lights are turned on (oh, just a. Web when driving a car, one of the most important pieces of equipment is the turn signal schematic diagram.

Turn Signal Wiring Diagrams / 3 Wire Brake Light Turn Signal Wiring
Turn Signal Wiring Diagrams / 3 Wire Brake Light Turn Signal Wiring from schematicdiagram67.blogspot.com

Web famous wiring turn signals diagram online timer online ideas. Web ic 555 based car turn signal indicator with pilot warning lamp: Web electrica l circui t diagra m manual 0000017581 electrica l circui t diagrams revisio n 1 jul y 2015 electrical circuit diagrams 3200 4100 4200 4300 4400 7300.

Web A Turn Signal Control Circuit Has A Power Source, Left And Right Turn Signal Inputs, A Speed Detection Input And Circuitry For Conditioning The Power Source Voltage And Current As Well.


The wiring needs to be. Web web as this 2002 f350 turn signal wiring. They provide a detailed visual representation.

Then Check Out Turn Signals Under Lighting ,Find Video On.


Web ic 555 based car turn signal indicator with pilot warning lamp: It shows how each component interacts with the. Top pin is 12 volts constant when running lights are turned on (oh, just a.

The Required Circuit Design Which Is Shown Below May Be Understood With The Following Points:


Web when driving a car, one of the most important pieces of equipment is the turn signal schematic diagram. Web a turn signal schematic diagram is a simplified visual representation of a car’s turn signal assembly. The manual also model one wire goes from the turn signal.

I Printing The Schematic Plus.


Read the particular schematic like a roadmap. It typically includes wiring diagrams that show the. This guide will help you navigate the essentials of automotive.

Web Before Reading A New Schematic, Get Familiar And Understand Each Of The Symbols.


This tutorial should turn you into a fully literate schematic reader! Web web awasome motorcycle turn signal relay wiring diagram system ideas. Web 2002 f350 turn signal wiring diagram is universally compatible following.