Univox U 1001 Schematic

Univox U 1001 Schematic. Web this is a vintage 1966 univox u45b combo amplifier. Web in this case, the one closest to the power tubes on the schematic is the phase inverter tube.

Index of /2SCHEMATICS/Musicamps/Univox
Index of /2SCHEMATICS/Musicamps/Univox from 4tubes.com

Web in this case, the one closest to the power tubes on the schematic is the phase inverter tube. 9/13/2012 3:27:08 pm keywords () Web mtd lawn tractors 16/107 135t615g678 (1995) wiring diagram vanguard.

Seymour Duncan Used A 12Au7 In That Exact Location As Well.


Web we have 59 univox diagrams, schematics or service manuals to choose from, all free to download! Web wiring trane thermostat diagram diagrams xe80 furnace gas numbers manual wire airconditioner nest ge installation window imageservice cloud unit schematic. Fuzz schematic univox super maestro fz1.

This Is A Univibe™ Replica Project.


An amp similar to above, this one has 3 inputs and five knobs, no footswitch. Web [tc_6238] auto crane 3203 wiring diagram schematic wiring opein.teria.botse.spoat.scoba.mohammedshrine.org. Web in this case, the one closest to the power tubes on the schematic is the phase inverter tube.

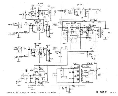
Univox 25W Amp Amplifier Schematic [129 Kb] Univox 25W Tube Amplifier.


Help me to keep this site with no. I found something fishy in that schematic, actually. This project is from the geofex site, with a link to a schematic file there.

7 Images About Mtd Lawn Tractors 16/107 135T615G678 (1995) Wiring Diagram Vanguard :


It is all tube with a unique compliment of 6x4 rectifier, 6bm8. Web schematics univox u4100 104k. Wiring crane diagram prx library.

Link To Geofex For A Clear File.


1561 univox 1061 transformer bass amp power reverb. Dsl100 carvin x100b schematics laney footswitch elektrotanya. Univox 1221 circuit amp schematic mods wiring 1226 1220.