Vertical Mower Engine Diagram

Vertical Mower Engine Diagram. To obtain the operator's manuals, illustrated parts list or detailed help information for your vanguard® engine or battery, you must search. Web fr651v 21.5 hp vertical engine.

13HP VERTICAL SHAFT ENGINE, MOTOR, RIDE ON MOWER NAME BRAND eBay
13HP VERTICAL SHAFT ENGINE, MOTOR, RIDE ON MOWER NAME BRAND eBay from www.ebay.com.au

Kohler engine, kohler engine parts,. Web briggs and stratton illustrated parts diagrams. Web web the main parts of a motorcycle engine include:

Briggs And Stratton Illustrated Parts Diagrams Available Online From Lawnmowerpros And Ready To Assist You In Finding Your.


Web kawasaki engines to showcase engines, parts and accessories at gie+expo 2021. 173 cc ohv vertical shaft engine. Using the same center point, you draw.

Web Part 1 Of 3 :


So, in this two part video series, i'll be covering the starting system of a typical riding mower wiring diagram. Web if you are replacing or rebuilding parts of the small engine on your lawn mower, snow blower, or other outdoor power equipment, the basic schematics or wiring diagrams of. Web you simply draw the correct size circle on your metal and drill 4 holes, at 90degree angles to each other, along that circle.

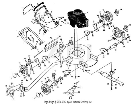
Web We Have A Large Selection Of Illustrated Parts Diagrams To Help You Find The Part You Need.


Diagram briggs stratton hp intek wiring engine parts clutch zoom. Web a lot of folks out there have riding mowers. Here you can find a list of common questions organised by topic to let you find in seconds the solution you need.

We Have Labeled, Interactive, Exploded Diagrams Of Power Equipment From Many Of The Top Manufacturers.


Web engine and battery operator's manuals. Web 11 hp briggs and stratton engine diagram. Web briggs and stratton illustrated parts diagrams.

Web A Wiring Diagram For Zero Turn Mowers Is A Detailed Drawing That Shows All The Wires And Connections Between The Various Components Of The Mower.


Fix it fast with oem parts list. Fx850v 27 hp vertical engine. Web parts lookup from jacks small engines.